Как к Вам обращаться *
Номер телефона *
Электронная почта
Текст сообщения *
Мы используем cookie, при использовании нашего сайта вы соглашаетесь с политикой компании

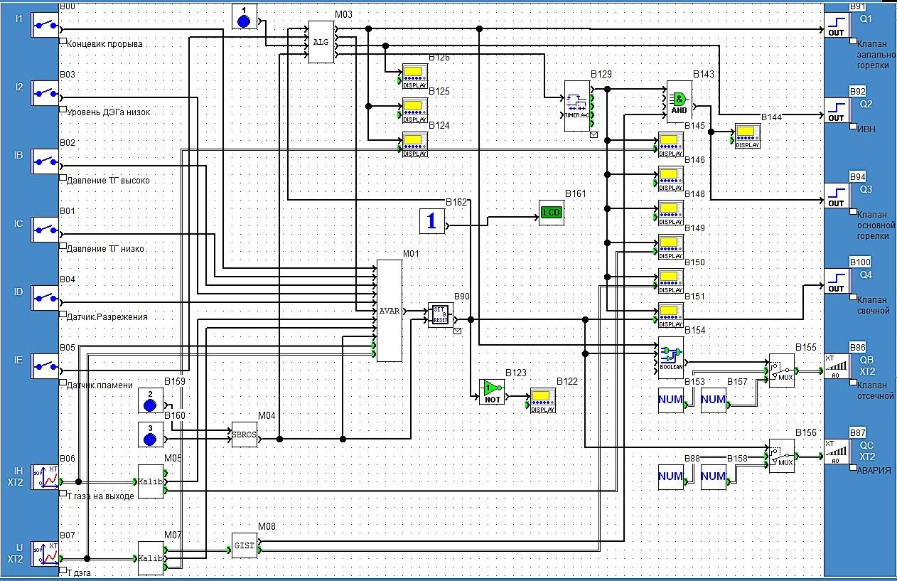
В статье рассмотрены энергонезависимые беспроводные системы передачи информации, которые открывают новые возможности для диагностики, измерения и организации АСУ ТП территориально распределенных объектов. Предложено применение оборудования систем передачи информации для управления скважинным фондом части подземных хранилищ газа. Представлена архитектура систем АСУ ТП и топология организации сетей для объектов ПХГ.